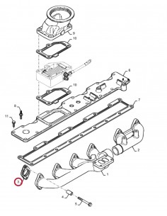
Gasket, Oil Pan, Engine SUMP GASKET WITH FRONT & REAR CORK JOINTS 3 Cil. SET Glaser 30/75-4 75-4 View