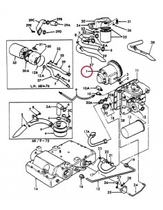
Compressor, Air Conditioning Air Conditioner Compressor 12V - 10PA17C Aftermarket AW24173.03 AH169875 View