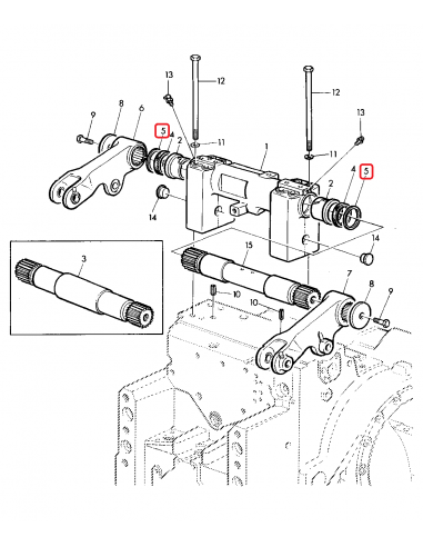
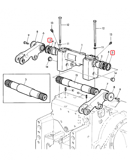
Saiba Monobloc L79231
Saiba Monobloc L79231
Saiba Monobloc L79231
Saiba Monobloc L79231

Saiba Monobloc

L79231

 

John Deere 6100, 6200, 6200L, 6300, 6400, 6405, 6506

L79231
No reviews
Comments (0)
No customer reviews for the moment.
Product added to wishlist
Product added to compare.

iqitcookielaw - module, put here your own cookie law text